
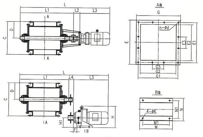
GY系列刚性叶轮给料机又称星型给料机或电动锁气器。该系列给料机主要用来将上一级设备中的干燥粉状或小颗粒的物料,连续、均匀的送到下一级设备中,是一种定量给料设备。该系列给料机一般配用YTC系列齿轮减速机或XWD系列摆线针轮减速机,它通过弹性圆柱销联轴器或链轮传动,带动主轴和叶轮旋转。叶轮上装有若干个叶轮片,其上装有橡胶密封片,用压板压紧,密封片紧贴外壳内壁。当电机旋转时,主轴、叶轮同时旋转,物料从上部仓通过进料口进入叶轮槽内,旋转的叶轮把物料带到出料口喂送出去,达到均匀给料的目的。该机结构紧凑,造型美观。
GY系列刚性叶轮给料机广泛用于各个工业部门,如煤粉、水泥、砂、块煤、粮食等的喂料上。该系列给料机不易用来控制变质的粘性大的结块物料和大块物料。
GY系列刚性叶轮给料机外形结构图

汤阴赛特机电设备有限公司 豫ICP备16032372号-1 地址:汤阴县德华路与贞坤大道交叉口东北角(汤阴县工业产业园区)

豫公网安备 41052302000377号